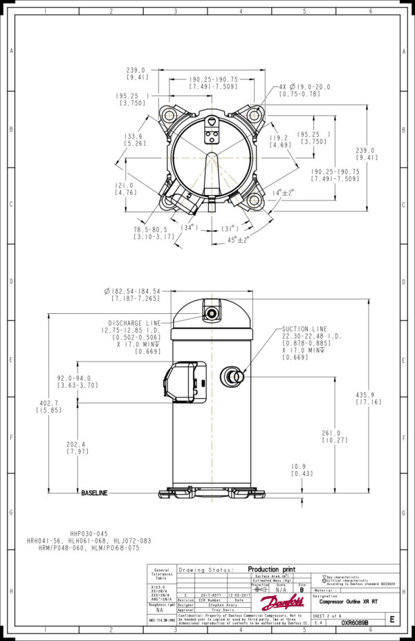
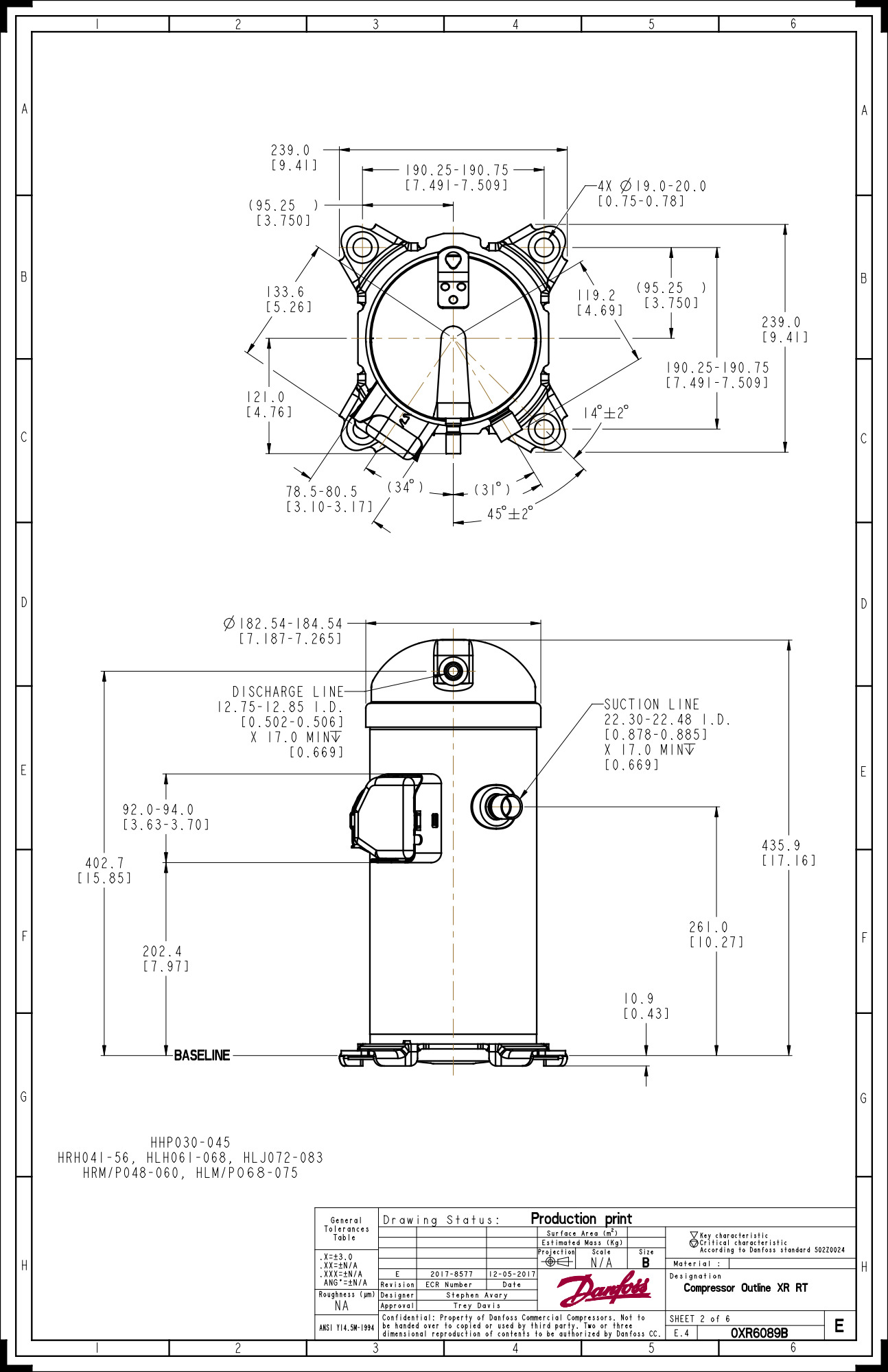
COMPRESOR DANFOSS HLJ072T4LC6
Detalles técnicos:
•Peso bruto: 43,83 kg
•Peso neto: 37 kg
•EAN: 5702424206154
•Tecnología de la marca: compresor Scroll HLJ
•Control de capacidad: Velocidad fija
•Alimentación del compresor: 380-415/3/50 460/3/60
•Diámetro: 184 mm
•Altura de conexión de descarga: 422 mm
•Altura de la conexión de la aspiración: 280 mm
Ventajas y beneficios:
La alta capacidad nominal, la tecnología de marca y la construcción fiable, una excelente elección para los clientes que buscan una solución potente y eficiente para sus sistemas. Su alta eficiencia energética y su robusto diseño garantizan un rendimiento fiable y una larga vida útil. lo que beneficia tanto a los instaladores como a los usuarios finales. Con su tipo de conexión soldada y su tecnología scroll de alta calidad, este producto ofrece una solución sólida y eficaz para diversas aplicaciones en tecnología de refrigeración, aire acondicionado y ventilación.
-
Referencia:
00932
-
Refrigerante:
R410A
-
Dimensiones:
@{24|24|46}
2.241,00€ *IVA no incluido
Hay existencias












